磁悬浮输送线,电磁循环线
【产品定位优势】磁悬浮循环线磁悬浮输送线磁...
全国服务热线
18925782168


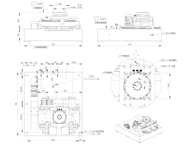
| 平台型号 | JRFDM-X160-Y160-R30-AOIMJ | ||
| 轴向 | X轴 | Y轴(双电机) | R轴 |
| 电机型号 | ZWU-60A-1 | ZWU-60A-2 | ZWD170 |
| 持续推力 | 170N | 326.8 N | 5N.m |
| 峰值推力 | 850N | 1649 N | 14 N.m |
| 持续电流 | 4.1 Arms | 4.0 Arms | 1.4 Arms |
| 峰值电流 | 20.7 Arms | 20.0 Arms | 4.2 Arms |
| 机械参数 | |||
| 轴系 | X轴 | Y轴 | R轴 |
| 有效行程 | 160 | 160 | ±15° |
| 负载 | DD+5kg | X+DD+5kg | 5kg |
| 速度 | 1m/s | 1m/s | 120 rpm |
| 加速度 | 1G | 1G | - |
| 停顿时间 | - | - | - |
| 重复精度 | ±1um | ±1um | ±1.5 arc sec |
| 定位精度 | ±2um | +2um | +3 arc sec |
| 直线度 | ±2 um | ±2um | - |
| 平面度 | ±2um | ±2um | - |
| 端面调动 | - | - | ±2 um |
| 整体平面跳动 | 10 um | ||
| 安装方式 | 水平 | ||






【产品定位优势】磁悬浮循环线磁悬浮输送线磁...

中空对位平台特点和优势 ·利用空气弹性势能作...

产品特性: ·龙门结构,稳定性高 ·低阿贝误...

气浮平台及其原理 气浮平台是一种以气体为介质...

产品特性: ·高精密、高稳定直驱结构设计 ·非...

LDI曝光机的特点和优势 高精度:先进的激光...

龙门双驱平台是高精密卡迪尔双驱龙门系统,优...

OLED切割/PCB钻孔/CNC加工/生物技术/C封装/晶圆检测...