磁悬浮输送线,电磁循环线
【产品定位优势】磁悬浮循环线磁悬浮输送线磁...
全国服务热线
18925782168


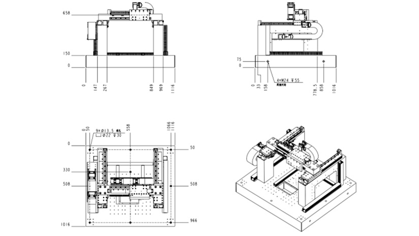
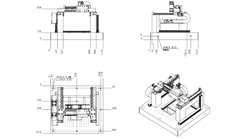
| 平台型号 | jRFDM-X200-TY400-DN | |
| 电机参数 | ||
| 轴向 | X轴 | Y1Y2轴 |
| 电机型号 | ZWU-30A-4-S-5M-HALL | ZWU-30A-4-S-5M-HALL |
| 持续推力 | 104 N | 104 N |
| 峰值推力 | 576 N | 576 N |
| 持续电流 | 2.54 Arms | 2.54 Arms |
| 峰值电流 | 14.3 Arms | 14.3 Arms |
| 机械参数 | ||
| 轴向 | X轴 | Y1Y2轴 |
| 有效行程 | 200mm | 400 mm |
| 负载 | 35 kg | 35 kg+X轴 |
| 速度 | 200mm/s | 200 mm/s |
| 重复定位精度 | ±0.5 um | ±0.5 um |
| 定位精度 | ±1um | ±1um |






【产品定位优势】磁悬浮循环线磁悬浮输送线磁...

中空对位平台特点和优势 ·利用空气弹性势能作...

产品特性: ·龙门结构,稳定性高 ·低阿贝误...

气浮平台及其原理 气浮平台是一种以气体为介质...

产品特性: ·高精密、高稳定直驱结构设计 ·非...

LDI曝光机的特点和优势 高精度:先进的激光...

龙门双驱平台是高精密卡迪尔双驱龙门系统,优...

OLED切割/PCB钻孔/CNC加工/生物技术/C封装/晶圆检测...